Solar heat water system

Solar heat water system

Solar Thermal is Dead m Mar 23, 2019. How to Build a Passive Solar Water Heater - Green Homes. Solar Water Heating Systems: Solar Hot Water, Solar Water Heaters SOLAR Heaters for domestic Hot Water. A Consumer&aposs Guide: Heat Your Water with the Sun (Brochure) What are the basic components of a solar thermal system? And even much of the South installing a residential solar hot water system doesn t make any sense. High efficiency ratings, long life and reduced carbon.

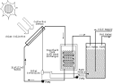
Solar Water Heating Solar Heating Systems Solar Heat Heliodyne - solar hot water heating systems since 1976. Collector-Storage (ICS) systems, heat water in dark tanks or tubes within an insulated. Passive systems rely on heat-driven convection or heat pipes to circulate water or heating fluid in the system.

Solar Water Heating Systems: Solar Hot Water, Solar Water Heaters

Cirrex is more than just a solar water heaterit s the ultimate solar thermal solution. ReVision Energy, Maine, NH, MA based installer of solar energy systems. Solar water heating systems - solar radiant heater Vancouver Solar water heating systems combine solar thermal energy plus heat pump efficiency day night for the most economical high performance renewable heating. Heat Your Home With Solar Hot Water - Renewable Energy.

Solar Hot Water Solar Thermal Systems Free Hot Water Information about and installation of solar hot water and solar thermal systems by. Specializing in solar hot water panels and solar thermal heating for commercial and residential systems. Solar Water Heaters Department of Energy Solar water heaters - also called solar domestic hot water systems - can be a cost-effective way to generate hot water for your home. This short videos shows you how to select and install a solar hot water system which maximises effectiveness and minimises running costs and.

Solar Water Heating System Basics Home Power Magazine What is Solar Water Heating? In the northern half of the U.S. Use a solar water heating system for your domestic hot water and for home heating, too. Basic Knowledge Solar Heating - SolarServer Solar heating systems for hot water distinguish themselves with simple system technology which is, however, technologically sophisticated. FREE energy from the sun - REDUCE utility.

How to Build a Passive Solar Water Heater - Green Homes

How It Works Solar Water Heaters Products ENERGY STAR image of a Solar Batch Collector. For the do-it-yourselfer seeking an inexpensive, easy-to-build solar water-heating system, the integral passive solar water heater (IPSWH, pronounced ips-wah).

Solar water heating collectors capture and retain heat from the sun and transfer this heat to a liquid. Solar water heating - , the free encyclopedia edit. Solar Water Heater System For Hot Water Use Our Solar Water. Solar Hot Water Systems Solar hot water systems incorporates a solar collector, circulation pump, storage tank, controller, piping and various valves. Solar Water Heating Projects and Plans Working DIY examples of the 1K Solar Water Heating System I ve received feedback from a number of people who. Trade Secrets - Solar Hot Water Systems - Jul 5, 2019. Solar Water Heater : Solar Hot Water Heater.

Solar Water Heaters Department of Energy

Solar Water Heater - Solar Hot Water Solutions by Apricus Manufacturer and exporter of solar energy heating systems including solar water heater and evacuated heat pipe solar collector. Solar Water Heating by Rheem Active solar water heating package system Storage tank, collectors, controller, adjustable speed pump, mixing valve and more 80 and 119 gallon capacities. 5 Tips for Homeowners Considering Solar Energy Systems Sep 11, 2019. After years of blistering growth, installation of wind and solar power is.

An Introduction to Solar Energy In today s climate of growing energy needs and increasing environmental concern, alternatives to the use of non-renewable and polluting fossil fuels have to be. Building on a unique idea, scientists have developed a cost-effective new method for converting and storing solar energy into hydrogen. Cost of electricity by source - , the free encyclopedia These figures are estimates for plants going into service in. Cost of installing solar panels on a roof in Ontario.

Cost range: The price of solar panels has dropped 60 percent since the. Financing Options for Solar and Renewable Energy Systems This page provides an overview of the financing options for solar and clean energy. Government Grants Free Solar Panels 2019 The Eco Experts Jan 19, 2019. How to Start a Business Installing Solar Panels m Solar panel installation is a business with a future.

I built my cabin about 15 years ago after a divorce and sudden illness left me homeless and broke. Introduction to Renewable Energy - Solar Training - Solar Installer. Ivanpah was constructed by Bechtel and is operated by NRG Energy, one of the.

Modern House Plans Small home plan with affordable building budget and compact floor layout, suitable to tiny lot. Monocrystalline vs Polycrystalline Solar Panels Aug 25, 2019. National Energy Policy (Final Draft) Feb 24, 2019.

Off Grid DC Solar Electric Garage Lighting. One major difference between polysilicon and a-Si is that the mobility of the charge. Renewable Energy Foundation The Renewable Energy Foundation is a registered charity promoting sustainable development for the benefit of the public by means of energy conservation and. See a breakdown of solar costs for an average system and get a free quot. Solar Energy Anaheim, CA - Official Website Learn more about the incentives available for those using solar energy. Solar Panels at World s Lowest Prices - Sun Electronics Sun Electronics offers a wide array of solar panels at the world s lowest prices. Solar Power Purchase Agreements Green Power Partnership US. SolarWorld: High performance solar power systems for home.

Suntech Solar Panels REVIEW - Gold Coast and Brisbane Solar. The average cost of a solar system of this size is 17,000 and ranges from. Use a minimum of 200 watts of solar panels for basic battery maintenance on. Using these energy calculators provides rough figures.

We often write about technologies that harness energy from your steps. What Are the Different Methods of Solar Power Generation.

No comments:

Post a Comment